华宇电子提供专业的存储芯片封装服务,覆盖从晶圆来料检测到成品包装的全流程。
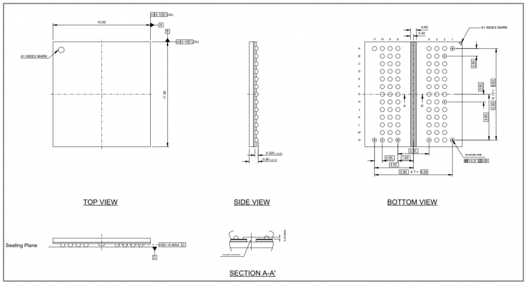
DDR5:FCBGA82B(10*11)
FC BGA 图示

Package信息

Package Outline Dimension

公司凭借先进设备、严格工艺控制和全流程服务,可为客户提供高可靠Memory芯片封测解决方案。
华宇电子提供专业的存储芯片封装服务,覆盖从晶圆来料检测到成品包装的全流程。
DDR5:FCBGA82B(10*11)
FC BGA 图示

Package信息

Package Outline Dimension

公司凭借先进设备、严格工艺控制和全流程服务,可为客户提供高可靠Memory芯片封测解决方案。